0102030405
1.0mm Pitch Non-ZIF R/A-S/T Double-side Contact H=2.9
Specifications
| Model | Diagram | Specification |
| 1.0mm Pitch Non-ZIF R/A Double-side Contact H=2.9 | |
1、CKT: 4Pin to 30Pin 2、Current rating: 0.5A AC/DC 3、Voltage rating(max): 50V, AC/DC 4、Working Temperature: -25C~+85°C,(Including temperature rise in applying electrical current) 5、Contact resistance: Initial value≤30mΩ After environmental testing≤60mΩ 6、Insulation resistance: ≥500MΩ 7、Withstand voltage: 500VAC(rms) 8、Applicable PCB board thickness: 1.6mm to 2.0mm |
| 1.0mm Pitch Non-ZIF S/T Double-side Contact H=4.5 | |
Mounting Measurement
| Assembly Layout | Applicable Flat Cable | P.C.B Layout | |
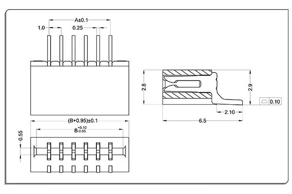
| 1.0mm Pitch Non-ZIF R/A Double-side Contact H=2.9 | |
|
|
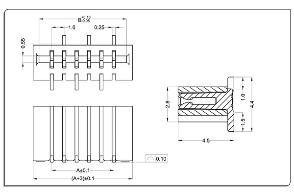
| 1.0mm Pitch Non-ZIF S/T Double-side Contact H=4.5 | |
|
|
Product description
Non-ZlF R/A Double-sided contact
Material and Finish :
Housing:LCP UL 94V-0 & Terminal:phosphor bronze Finish: Tin-plated & Gold-plated

| CKT | Part No | DIM A | DIM B |
| 4 | WW10290-04 | 3 | 5.05 |
| 5 | WW10290-05 | 4 | 6.05 |
| 6 | WW10290-06 | 5 | 7.05 |
| 7 | WW10290-07 | 6 | 8.05 |
| 8 | WW10290-08 | 7 | 9.05 |
| 9 | WW10290-09 | 8 | 10.05 |
| 10 | WW10290-10 | 9 | 11.05 |
| 11 | WW10290-11 | 10 | 12.05 |
| 12 | WW10290-12 | 11 | 13.05 |
| 13 | WW10290-13 | 12 | 14.05 |
| 14 | WW10290-14 | 13 | 15.05 |
| - | - | - | |
| 30 | WW10290-30 | 29 | 31.05 |
Non-ZlF S/T Positive pointer
Material and Finish :
Housing:LCP UL 94V-0 & Terminal:phosphor bronze Finish: Tin-plated & Gold-plated

| CKT | Part No | DIM A | DIM B |
| 4 | WL10453-04 | 3 | 5.05 |
| 5 | WL10453-05 | 4 | 6.05 |
| 6 | WL10453-06 | 5 | 7.05 |
| 7 | WL10453-07 | 6 | 8.05 |
| 8 | WL10453-08 | 7 | 9.05 |
| 9 | WL10453-09 | 8 | 10.05 |
| 10 | WL10453-10 | 9 | 11.05 |
| 11 | WL10453-11 | 10 | 12.05 |
| 12 | WL10453-12 | 11 | 13.05 |
| 13 | WL10453-13 | 12 | 14.05 |
| 14 | WL10453-14 | 13 | 15.05 |
| - | - | - | - |
| 30 | WL10453-30 | 29 | 31.05 |



