0102030405
2.0-R Type(PA) Wire-to-Board Connector
Specifications
| Diagram | Specification |
| 1、CKT: 2Pin to 18Pin 2、Current rating: 3A AC/DC 3、Voltage rating(max): 250V,AC/DC 4、Working Temperature: -25°C~+85°C,(Including temperature rise in applying electrical current) 5、Contact resistance: Initial value ≤20mΩ After environmental testing≤30mΩ 6、Insulation resistance: ≥1000MΩ 7、Withstand voltage:800VAC(rms) 8、Applicable wire: AWG #28 to #22 9、Applicable PCB board thickness: 1.6mm to 2.0mm |
Mounting Measurement
| Straight Angle | Right Angle |
Product Parameter
Terminal: T=0.2mm

| Part No. | Wire Range | Insulation O.D | Material | Finish |
| WT200R0-T0 | AWG#28~ #22 | 1.50mm MAX | phosphor bronze | Tin & Gold-plated |
Product description
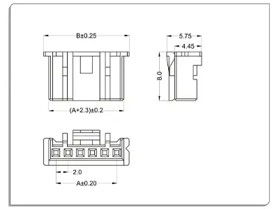
Housing
Material: Nylon 66 UL94V-0

| CKT | Part No | DIM A | DIM B |
| 2 | WT200R0-02 | 2 | 6 |
| 3 | WT200R0-03 | 4 | 8 |
| 4 | WT200R0-04 | 6 | 10 |
| 5 | WT200R0-05 | 8 | 12 |
| 6 | WT200R0-06 | 10 | 14 |
| 7 | WT200R0-07 | 12 | 16 |
| 8 | WT200R0-08 | 14 | 18 |
| 9 | WT200R0-09 | 16 | 20 |
| 10 | WT200R0-10 | 18 | 22 |
| 11 | WT200R0-11 | 20 | 24 |
| 12 | WT200R0-12 | 22 | 26 |
| - | - | - | - |
| 16 | WT200R0-16 | 30 | 34 |
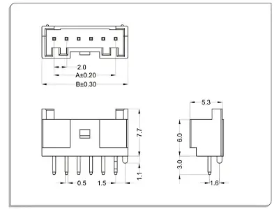
Wafer
Material and Finish:
Housing:PA6T UL 94V-0 & Terminal:Brass Fitting:Brass;
Finish:Tin-plated & Gold-plated

| CKT | Part No | DIM A | DIM B |
| 2 | WT200RL-02 | 2 | 4.75 |
| 3 | WT200RL-03 | 4 | 6.75 |
| 4 | WT200RL-04 | 6 | 8.75 |
| 5 | WT200RL-05 | 8 | 10.75 |
| 6 | WT200RL-06 | 10 | 12.75 |
| 7 | WT200RL-07 | 12 | 14.75 |
| 8 | WT200RL-08 | 14 | 16.75 |
| 9 | WT200RL-09 | 16 | 18.75 |
| 10 | WT200RL-10 | 18 | 20.75 |
| 11 | WT200RL-11 | 20 | 22.75 |
| 12 | WT200RL-12 | 22 | 24.75 |
| - | - | - | - |
| 16 | WT200RL-16 | 30 | 32.75 |
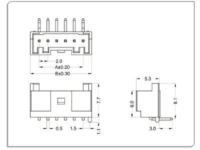
Material and Finish :
Housing:PA6T UL 94V-0 & Terminal:Brass Fitting:Brass;
Finish: Tin-plated & Gold-plated

| CKT | Part No | DIM A | DIM B |
| 2 | WT200RW-02 | 2 | 4.75 |
| 3 | WT200RW-03 | 4 | 6.75 |
| 4 | WT200RW-04 | 6 | 8.75 |
| 5 | WT200RW-05 | 8 | 10.75 |
| 6 | WT200RW-06 | 10 | 12.75 |
| 7 | WT200RW-07 | 12 | 14.75 |
| 8 | WT200RW-08 | 14 | 16.75 |
| 9 | WT200RW-09 | 16 | 18.75 |
| 10 | WT200RW-10 | 18 | 20.75 |
| 11 | WT200RW-11 | 20 | 22.75 |
| 12 | WT200RW-12 | 22 | 24.75 |
| - | - | - | - |
| 16 | WT200RW-16 | 30 | 32.75 |
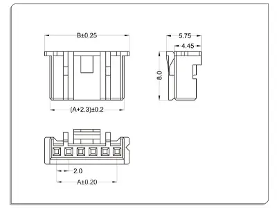
Housing
Material: Nylon 66 UL94V-0

| CKT | Part No | DIM A | DIM B |
| 2 | WT200R0-02 | 2 | 6 |
| 3 | WT200R0-03 | 4 | 8 |
| 4 | WT200R0-04 | 6 | 10 |
| 5 | WT200R0-05 | 8 | 12 |
| 6 | WT200R0-06 | 10 | 14 |
| 7 | WT200R0-07 | 12 | 16 |
| 8 | WT200R0-08 | 14 | 18 |
| 9 | WT200R0-09 | 16 | 20 |
| 10 | WT200R0-10 | 18 | 22 |
| 11 | WT200R0-11 | 20 | 24 |
| 12 | WT200R0-12 | 22 | 26 |
| - | - | - | - |
| 16 | WT200R0-16 | 30 | 34 |
Wafer
Material and Finish:
Housing: Nylon 66 UL 94V-0 & Terminal: Brass Finish: Tin-plated & Gold-plated

| CKT | Part No | DIM A | DIM B |
| 2 | WT200RL-02 | 2 | 6 |
| 3 | WT200RL-03 | 4 | 8 |
| 4 | WT200RL-04 | 6 | 10 |
| 5 | WT200RL-05 | 8 | 12 |
| 6 | WT200RL-06 | 10 | 14 |
| 7 | WT200RL-07 | 12 | 16 |
| 8 | WT200RL-08 | 14 | 18 |
| 9 | WT200RL-09 | 16 | 20 |
| 10 | WT200RL-10 | 18 | 22 |
| 11 | WT200RL-11 | 20 | 24 |
| 12 | WT200RL-12 | 22 | 26 |
| - | - | - | - |
| 18 | WT200RL-18 | 34 | 38 |
Material and Finish:
Housing: Nylon 66 UL 94V-0 & Terminal: Brass Finish: Tin-plated & Gold-plated

| CKT | Part No | DIM A | DIM B |
| 2 | WT200RW-02 | 2 | 6 |
| 3 | WT200RW-03 | 4 | 8 |
| 4 | WT200RW-04 | 6 | 10 |
| 5 | WT200RW-05 | 8 | 12 |
| 6 | WT200RW-06 | 10 | 14 |
| 7 | WT200RW-07 | 12 | 16 |
| 8 | WT200RW-08 | 14 | 18 |
| 9 | WT200RW-09 | 16 | 20 |
| 10 | WT200RW-10 | 18 | 22 |
| 11 | WT200RW-11 | 20 | 24 |
| 12 | WT200RW-12 | 22 | 26 |
| - | - | - | - |
| 18 | WT200RW-18 | 34 | 38 |


