0102030405
VH3.96 Wire-to-Board Strip Connector
Specifications
| Diagram | Specification |
| 1、CKT: 2Pin to 16Pin 2、Current rating: 7A AC/DC 3、Voltage rating(max): 250V,AC/DC 4、Working Temperature: -25°C~+85C,(Including temperature rise in applying electrical current) 5、Contact resistance:Initial value ≤20mΩ After environmental testing≤30mΩ 6、Insulation resistance: ≥1000MΩ 7、Withstand voltage: 1500VAC(rms) 8、Applicable wire: AWG #22 to #16 9、Applicable PCB board thickness: 1.6mm to 2.0mm |
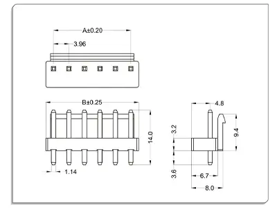
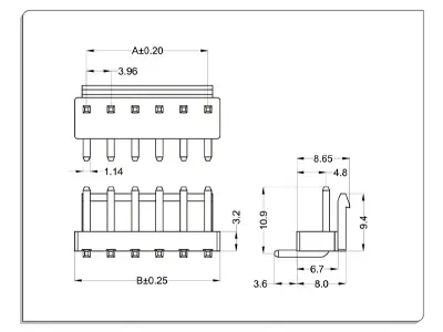
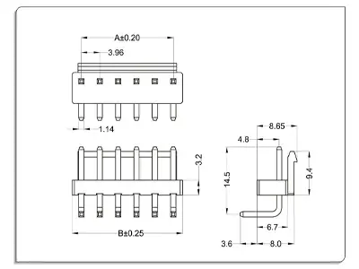
Mounting Measurement
| Straight Angle | Right Angle |
Product Parameter
Terminal: T=0.25mm

| Part No. | Wire Range | Insulation O.D | Material | Finish |
| WT396V0-T0 | AWG#22~ #16 | 3.00mm MAX | phosphor bronze | Tin & Gold-plated |
Product description
Housing
Material : Nylon 66 UL 94V-2

| CKT | Part No | DIM A | DIM B |
| 2 | WT396V0-02 | 3.96 | 8.46 |
| 3 | WT396V0-03 | 7.92 | 12.42 |
| 4 | WT396V0-04 | 11.88 | 16.38 |
| 5 | WT396V0-05 | 15.84 | 20.34 |
| 6 | WT396V0-06 | 19.8 | 24.3 |
| 7 | WT396V0-07 | 23.76 | 28.26 |
| 8 | WT396V0-08 | 27.72 | 32.22 |
| 9 | WT396V0-09 | 31.68 | 36.18 |
| 10 | WT396V0-10 | 35.64 | 40.14 |
| 11 | WT396V0-11 | 39.6 | 44.1 |
| 12 | WT396V0-12 | 43.56 | 48.06 |
| - | - | - | - |
| 13 | WT396V0-13 | 59.4 | 63.9 |
Wafer
Material and Finish :
Housing: LCP UL 94V-0 & Terminal:Brass Fitting: Brass;
Finish: Tin-plated & Gold-plated

| CKT | Part No | DIM A | DIM B |
| 2 | WT396VL-02 | 3.96 | 8.68 |
| 3 | WT396VL-03 | 7.92 | 12.64 |
| 4 | WT396VL-04 | 11.88 | 16.6 |
| 5 | WT396VL-05 | 15.84 | 20.56 |
| 6 | WT396VL-06 | 19.8 | 24.52 |
| 7 | WT396VL-07 | 23.76 | 28.48 |
| 8 | WT396VL-08 | 27.72 | 32.44 |
| 9 | WT396VL-09 | 31.68 | 36.4 |
| 10 | WT396VL-10 | 35.64 | 40.36 |
| 11 | WT396VL-11 | 39.6 | 44.32 |
| 12 | WT396VL-12 | 43.56 | 48.28 |
| - | - | - | - |
| 13 | WT396VL-13 | 59.4 | 64.12 |
Material and Finish:
Housing: LCP UL94V-0 & Terminal: Brass Fitting:Brass;
Finish: Tin-plated & Gold-plated

| CKT | Part No | DIM A | DIM B |
| 2 | WT396VW-02 | 3.96 | 8.68 |
| 3 | WT396VW-03 | 7.92 | 12.64 |
| 4 | WT396VW-04 | 11.88 | 16.6 |
| 5 | WT396VW-05 | 15.84 | 20.56 |
| 6 | WT396VW-06 | 19.8 | 24.52 |
| 7 | WT396VW-07 | 23.76 | 28.48 |
| 8 | WT396VW-08 | 27.72 | 32.44 |
| 9 | WT396VW-09 | 31.68 | 36.4 |
| 10 | WT396VW-10 | 35.64 | 40.36 |
| 11 | WT396VW-11 | 39.6 | 44.32 |
| 12 | WT396VW-12 | 43.56 | 48.28 |
| - | - | - | - |
| 13 | WT396VW-13 | 59.4 | 64.12 |
Housing
Material: Nylon 66 UL94V-0

| CKT | Part No | DIM A | DIM B |
| 2 | WT396V0-02 | 3.96 | 8.46 |
| 3 | WT396V0-03 | 7.92 | 12.42 |
| 4 | WT396V0-04 | 11.88 | 16.38 |
| 5 | WT396V0-05 | 15.84 | 20.34 |
| 6 | WT396V0-06 | 19.8 | 24.3 |
| 7 | WT396V0-07 | 23.76 | 28.26 |
| 8 | WT396V0-08 | 27.72 | 32.22 |
| 9 | WT396V0-09 | 31.68 | 36.18 |
| 10 | WT396V0-10 | 35.64 | 40.14 |
| 11 | WT396V0-11 | 39.6 | 44.1 |
| 12 | WT396V0-12 | 43.56 | 48.06 |
| - | - | - | - |
| 16 | WT396V0-16 | 59.4 | 63.9 |
Material and Finish :
Housing: Nylon 66 UL94V-0 & Terminal:Brass Finish: Tin-plated & Gold-plated

| CKT | Part No | DIM A | DIM B |
| 2 | WT396VL-02 | 3.96 | 7.92 |
| 3 | WT396VL-03 | 7.92 | 11.88 |
| - | - | - | - |
| 16 | WT396VL-16 | 59.4 | 63.36 |
| 2 | WT396VW-02 | 3.96 | 7.92 |
| 3 | WT396VW-03 | 7.92 | 11.88 |
| - | - | - | - |
| 16 | WT396VW-16 | 59.4 | 63.36 |
| 2 | WT396VW-02 | 3.96 | 7.92 |
| 3 | WT396VW-03 | 7.92 | 11.88 |
| - | - | - | - |
| 16 | WT396VW-16 | 59.4 | 63.36 |
Material and Finish :
Housing: Nylon 66 UL94V-0 & Terminal:Brass Finish: Tin-plated & Gold-plated

Material and Finish:
Housing: Nylon 66 UL94V-0 & Terminal: Brass Finish: Tin-plated & Gold-plated



